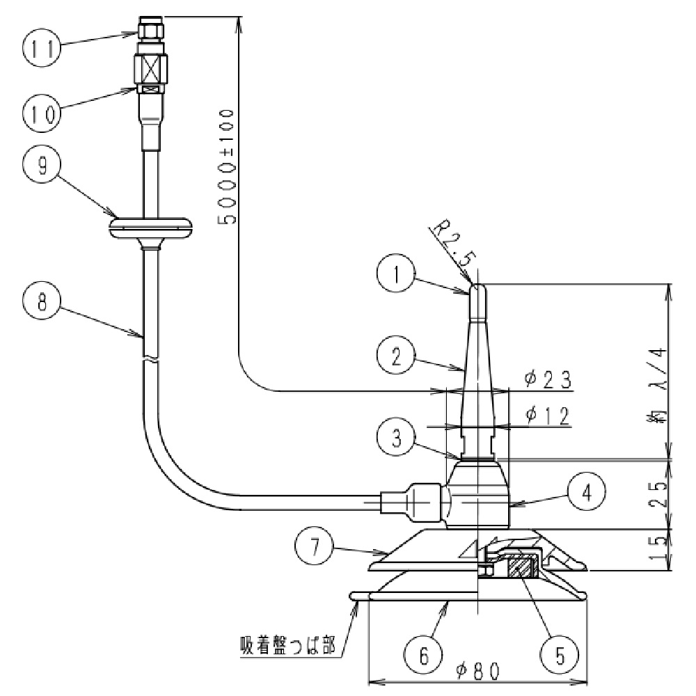
800/900MHz車載用吸盤マグネット式アンテナ(3D-2V)
SM-930A(SMA-P) (セット)
×
商品コード:3200355
単位:式
在庫:×※販売終了品
納入価格:ログインして表示する
セット内容
| 商品名 | 個数 | 一言コメント |
|---|---|---|
|
800/900MHz帯 1/4λホイップアンテナエレメント
(MCA-EL(64)-1)
|
1個 | ・HMG-930A、HMG-930B、HSM-930A、… |
|
車載用 吸盤マグネット式用基部 (3D-2V)
(SM-BA3-09)
|
1個 | ・吸盤マグネット式用基部 3D-2V 5m… |
|
アタッチメントコネクター(SMAP型)
(SMA-P・TA-R)
|
1個 |
この商品のバリエーション
帯域が異なる場合は下から選択してください。なおいずれにも該当しない場合は別途営業担当までご連絡ください。


_S.jpg)

